You are here:
How to Build a DIY TV Stand
TV Stand Project Article Overview
This article from August 2013 describes how to build a TV stand, in cherry wood, with glass panel doors left and right, and three drawers in the center. I strongly prefer furniture built from solid wood, and I seldom use plywood except for drawers. For years, I persevered with alder, which is a beautifully grained wood, but also a nightmare to stain. I then progressed to cherry, which is a beautiful wood, not hard on the tools, and can be nicely stained if prepared properly.
The stand will support a 46″ LCD flatscreen TV, and will contain the cable box and Blu Ray player beind the glass doors. The TV stand (or console) will be positioned in a location in our media room which is across a corner, between the fireplace and stair wall. The final “as-built” dimensions will be 56″ L x 20″ W x 28″ H. The following article is organized into a series of 16 steps that illustrate how to design and build the TV stand project as shown in the preceding sketch.
The article begins with Step 1 which describes how to build the four outside corner posts, and concludes with Step 16 which describes how to prepare and apply stain to the finished TV stand.
At the outset, I would like to make a few comments about the various types of wood joint systems used to build cabinets and furniture. Some will argue this is just a sales pitch, and this is partly true, however it’s also my honest evaluation of these systems based on 40 years of woodworking experience, including extensive testing over the last 10-15 years.
I often make the comment: “I want to build furniture, not make joints”. Having said that, the end result has to be fast, accurate, strong and versatile.
In my opinion, none of the usual joinery systems meet the forementioned criteria, with the exception of the multiple dowel arrangement. The multiple dowel system is the only system which in our tests has proven, over and over, to be stronger than the wood itself (oak).
The biscuit and pocket hole systems may be marginally quicker than the multiple dowel arrangement, however I personally wouldn’t use either system for furniture or cabinet construction. Someone once said to me: “A biscuit joint is better than nothing”. I can’t argue with that.
The mortise and tenon systems are excellent, but not quite as strong the the multiple dowel arrangement, and take an age to setup and complete. During construction of the dining chair, I mentioned the fact that it would be a nightmare constructing the chair, utilizing mortise and tenon joints. While that is absolutely true, I was not in any way demeaning the mortise and tenon method per se. The mortise and tenon is a classic system, but why would I take an hour to set up and complete an initial joint in mortise and tenon form, when I could complete a multiple dowel joint that is stronger, more accurate and takes about 3 to 4 minutes to finish?
Our tests reveal the loose tenon system attains approximately 50% of the strength of the multiple dowel arrangement. It’s not as accurate, and one system on the market retails in excess of $1000.00
We fully guarantee our system, and will refund the purchase price if any of the foregoing can be disproven.
ALWAYS THINK SAFETY! Drill bits can shatter during use. Always wear safety glasses when operating power tools. Always disconnect power before changing drill bits.
Table Saw: 1/ Maintain concentration! 2/ Use a Riving Blade 3/ Use push sticks or feather boards 4/ Never place hands behind blade 5/ Wear goggles
Router or Radial Arm Saw: Always follow manufacturers safety guidelines.
For inquiries on furniture design and dowel construction please call Toll Free 1-877-986-9400
Step 1: How to Build the TV Stand Outside Corner Posts
The project begins with construction and dry fit of the front and rear framework assemblies. The design of these two assemblies is very similar for two reasons:
(1) for strength, and
(2) to accomodate the drawer supports and slides.
The finished sizes of the four corner posts are 1-5/8″ x 1-5/8″ x 24″.
Each post will be made up of 2″ x 1″ cherry boards simply planed, sanded, glued and clamped face to face (large contact area, therefore no dowels required).
Tip: To prevent skewing misalignment during clamping of the legs, lightly clamp top and bottom edges as shown in photo.
Once the glue has cured, trim all edges in table saw, and then reduce to final thickness dimension in planer.
Use a table saw, sled and stop system to ensure all four corner posts (or legs) are identical in length (not only good practice, but essential for reference purposes).
CAUTION: NEVER USE A STOP SYSTEM WHICH COULD LOCK AND BIND THE WORK PIECE WHEN CUTTING!! ENSURE THE FREE END OF THE WORK PIECE IS CLEAR WHEN BEGINNING THE CUT. FAILURE TO DO SO COULD LEAD TO INJURY.
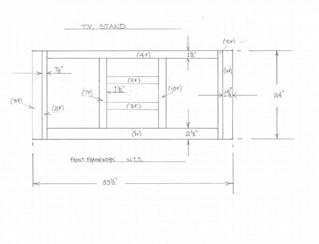
Step 2: How to Build the Front Framework
Mill and plane the top and bottom rails.
The dimensions of the top rail (4F) are: 7/8″ x 1-1/2″ x 48-1/2″.
The dimensions for the bottom rail (1F) are: 7/8″ x 2-1/8″ x 48-1/2″.
Cross cut the rails to identical lengths and ensure rail ends are square and true.
Mill and plane the framework drawer section work pieces.
The dimensions of the two drawer section horizontal rails (8F) & (9F) are: 7/8″ x 1-1/2″ x 17-5/8″.
The dimensions of the two drawer section vertical posts (7F) & (10F) are: 7/8″ x 1-1/2″ x 20-5/16″.
Step 3: Sketch Plan of TV Stand Front Framework
Video Part 1) Building the Drawer Section of the Front Framework
Video Part 2) Joining the Front Framework Drawer Section to the Upper and Lower Longitudinal Rails
Video Part 3) Joining the Front Framework Longitudinal Rails to the Inner Verticals and Outside Corner Posts
Step 4: Building the Rear Framework
Upon completion of the front framework, begin a similar process for the rear framework section.
The front and rear frameworks differ in that the inner vertical members on the front, are not used on the rear. The two rails (1R) and (4R) on the rear are therefore designed longer to compensate.
To obtain the exact length of rails for the rear, I lightly clamped the front frame assembly minus the inner verticals, and then used the UTG (universal tape gauge) to obtain the exact inside measurement required. The measurement read was 50-9/64″.
The glued section, or lamination on the four corner posts or legs (3F and 6F) are practically invisible, however for visual purposes, the joints of the two front legs face to the sides.
Whereas, with respect to the rear, the center joints of the two rear legs face forward and aft, and due to the side panels, these joints will not be visible after assembly.
Mark all check marks and X’s on the rear framework members. Use two dowels at each end of the top rail, and three dowels at each end of the lower rail. Dry fit the rails to the legs, and check the inside vertical measurement to ensure the rails are true.
The two drawer section vertical posts (7R) & (10R) on the rear framework are the same as on the front, measuring 7/8″ x 1-1/2″x 20-5/16″. Cross cut both rails to identical lengths, and ensure ends are square and true.
The horizontal rails for the drawer section (8R) & (9R) on the rear framework are the same as on the front, measuring 7/8″ x 1-1/2″ x 17-5/8″. Cross cut the rails to identical lengths and square and true.
Place the rear outer frame work assembly flat on the workbench top, and mark check marks and X’s.
Place the two vertical drawer posts together inside the outer framework and align perfectly. Then rotate and butt the two posts, and draw horizontal reference lines on the posts at 5-3/4″ and 13″ from the top using a set square, as shown in the following picture.
Place the four drawer section framework work pieces together, and mark the check marks and X’s as required. Drill dowel joint bores as required.
Dry fit the drawer framework section assembly, and fit inside the main rear outer framework assembly. Clamp assembly lightly. Square up all vertical and horizontal components and ensure drawer framework is centered. Mark four fine lines at junction of drawer frame rails, and the upper and lower main horizontal rails.
Mark X’s and drill dowel bores as required to join the drawer section to the main framework, using the fine lines marked in the previous step as reference points for the end of the Dowelmax reference (center) block.
Step 5: How to Build the Raised Side Panels
The two raised side panels measure 7/8″ x 18-1/2″ x 24, ie. equal in height to the four corner posts.
I use the Freud carbide tipped router cutters for the stiles, rails and panels. Each panel has five components: two stiles, two rails and one centre panel. While the four outer components are doweled and glued, the center panel is not glued to the outer framework – this is to allow for minute movement.
The penetration at the four corner joints is 3/8″, and in my humble opinion inherently weak, so I add three 1/4 inch dowels to the stub tenon at each corner. This has proven remarkably successful in the past.
The stiles measure 7/8″ x 3-1/8″ x 24″. Begin slightly oversize to allow for edge trimming at final assembly.
Remember that the widths of the rails, and lengths and widths of the center panels, have to be increased by 3/4″ (3/8″ at both rail ends for example) to accomodate the 3/8″ joint penetration. (For clarification, refer to sketch pertaining to the doors)
Once again, accurate cross cuts are essential, so check on scrap before proceeding and calibrate machinery as required.
With respect to the raised side panel center section, and designs of this type, beveling these panels is a bit too elaborate for an end panel, so I use thin (3/8″) panels.
These are joined at mid-section using 1/4 inch dowels. Then the panel is slotted (by router) to accept the rails and stiles.
The rails for this design will be 7/8″ x 3-1/8″ x 9-3/4.
The panels will be 3/8″ x 9-3/4″ x 17-3/4″.
The reason for the thin 3/8 panels is twofold; they are purely visual, and I like saving expensive lumber whenever I can. It’s marginal though. I have to cut a piece of 1″ lumber in half, and then plane it ensuring I’m left with two 3/8 thick pieces. These are then edge joined using 1/4 dowels and a 3/16″ spacer fastened to the face of the reference bracket.
Router Setting and Cut for Continuous Tenons on Center Panel
Dry fit the five end panel components. Lightly clamp across stiles, then carefully trim the upper and lower edges. Now we have the necessary reference points.
It should be noted that this kind of construction is very attractive, but due to the mere 3/8 penetration at each corner, the assembly is far from robust. For that reason, I add two or three dowels to each corner, aligning these dowel holes with the stub tenon. I also found it advantageous in this case to reference from the rear, since a better clamping surface is available.
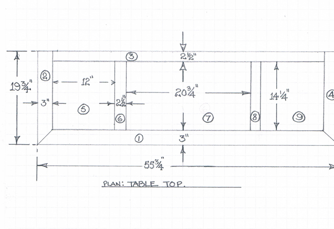
Step 6: How to Build the Top
There is a table top design suitable for a TV stand (or table) that I have come to prefer. It does involve some effort, and if desired, a simple longitudinal plank top with mitered edges, or breadboard ends can look sharp too.
My top design is in the following pattern.
Sketch Plan of the TV Stand Top
The three top main panels (5), (7) and (9) are 14-1/4″ wide, and are made from two work pieces, so a joint at the center of the panel is required.
The left and right hand top panels (5) and (9) are 3/4″ x 12″L x 14-1/4″W.
The center panel (7) is 3/4″ x 20-3/4″L x 14-1/4″W.
Note; the thickness of part of the outer mitred section will be 7/8″ to allow for an overlap over the main framework.
Once glued and cured, these sections will require to be trimmed true, so leave at least 1/8″ oversize. In the same vein, take extra care with the referencing, ie always from the same end. This will provide a good edge for butting against the table saw fence when trimming these components. I will use 4 dowels in the shorter panels and 6 dowels in the center panel.
For the RH/LH panels, set distance gauge to approximately 5-5/16″ (head to tip) Align Dowelmax to top end of the panel work piece, and drill through guides #4 and #5 to start. Then insert the distance gauge in bore #5, align Dowelmax to the end of the gauge, and drill through guides #1 and #2.
For center panel, set the distance gauge to approximately 7-1/2″. Align Dowelmax to the top end of the panel work piece, and drill through guides #2 and #3 (away from the edge). Insert the distance gauge in bore #3. Align Dowelmax to the end of the gauge, clamp and drill through guides #1 and #2. Repeat the process for the two final bores.

Step 7: How to Build the Top Inserts
Mill and plane two work pieces to measure 3/4″ x 2-1/2 x 14-1/4. Leave the length slighly oversize to allow for final trim.
Arrange the five top components and layout on work top. Once again, reference from the top on all joints to provide one even surface to butt against table saw fence for final trim.
Set distance gauge to approximately 4-1/8″ (head to tip). Align Dowelmax to the top end of the insert work piece, and drill through guides #2 and #3. Insert the distance gauge in bore #3, and align Dowelmax to end of gauge. Drill through guides #1 and #2. (Repeat the process for the two final bores)
Mill and plane the top rear horizontal insert work piece (3) to 3/4″ x 2-1/2″ x 49-3/4″ (leave length slightly oversize to accomodate final trim).
Step 8: How to Assemble the Top
Take your time and prepare all required clamps, soft pads, etc. Begin by gluing the two small RH and LH panels and inserts first. Then glue one of these to one side of the center panel, and then the other to the opposing side of the center panel.
Ensure all surfaces are flat when clamping pressure is applied. Once the top assembly is cured, trim the front and rear edges true, and then fit the rear insert (3). Mark check marks and X’s as required on the rear insert. Set longer distance gauge to 13-1/2″. Reference distance gauge 1/8″ from end of insert (3) to allow for trim after curing. Drill through guides #2 and #3. Insert distance gauge in bore #3, butt the reference end of Dowelmax against the tip of the distance gauge rod, and drill through guides #2 and #3. Continue the process until the end of the rear insert.
Repeat the process for the opposing edge to which the insert is to be joined, but in this case reference the Dowelmax directly to the end of the main work piece (edge of main work piece is not trimmed).
Once the assembled TV stand inside top section is cured, trim the left hand and right hand edges. My preference for this step is to use a straight edge and router. Clamp the table top to the work bench or table saw. Clamp a good quality straight edge or fence to the table top, with the clamps inverted (to avoid fouling router).
Use a machinists square to ensure an accurate right angle between the fence and the long edge of the table top. Insert a small piece of tape at the right hand corner to reduce tear out . Using a router with a straight carbide bit, trim the edge working against the the router rotation, in this case left to right. Repeat the process on the opposite edge.
Mill and plane the top front edge work piece (1) 7/8″ x 3″ x 56″. This is to allow 3-1/8″ at each end for the miters.
Butt together with main top section and mark check marks and X’s. Scribe a pencil reference line 3-1/8″ from the the reference end. Align the end of Dowelmax to the reference line, and drill through guides #3 and #4.
Set distance gauge to approximately 13-3/4″, and insert in last drilled bore. Butt end of Dowelmax to tip of distance rod and drill guides #1 and #2. Continue to end (8 dowels).
Step 9: How to Join the Top End Pieces (2 of)
The finished dimensions of the two top end pieces (2) and (4) are 7/8″ x 3″ x 19-3/4″. Leave length 1/4″ oversize to allow for miter adjustment (ie. 20″).
Butt end piece against main section of TV stand top assembly. Mark check marks and X’s, referencing from the rear of the top. Set distance gauge to approximately 5-3/8″.
Align Dowelmax to check marked end of top, and drill through guides #2 and #3. Insert distance gauge in #3 bore and butt the end of Dowelmax against the gauge rod end and drill through guides #1 and #2. Repeat for the last two bores for a total of 6 dowels.
Follow the same procedure for the opposing end piece.
Step 10: How to Prepare and Cut the Miters
I designed and built a shop made sled which is also utilized to cut miters. I usually start with two test pieces. Cut the test pieces and adjust miter gauge as necessary to acheive a perfect 90 degree connection.
Then use that setting to cut the miters on the long front edge work piece (3).
(there is no need to make a further adjustment for these two cuts, as adjustments are carried out on the miters of the two end pieces (2) and (4) on sketch).
With long front work piece dry fitted to the main top assembly, make a test cut on one of the end pieces. Without using dowels, butt the end work piece to the main top, and slide the end and front miters together to check for gaps. Then observe joint and determine adjustment necessary on miter slide. Recut and test again. Repeat until perfct joints are attained. Final test with 50% of end piece dowels installed.
I have personal opinions on using biscuits, particularly with respect to strength, accuracy and versatility. These opinions are not flattering to any degree, so I will not expound further. Having said that, If a craftsman wishes to insert a biscuit in lieu of the miter dowel, that would work in this particular instance.
Step 11: Milling the Recess for the Overlap of the TV Stand Top Over the Framework
Determine the length and width of the framework, and deduct from the overall length and width of the top. My particular width of cut for this design feature is approximately 2″
Tips for Applying Glue and Assembling Work Pieces.
1/ Don’t rush the clamping procedures. Ready all clamps to the approximate required length and organize soft pads for use before applying glue.
2/ Be patient; try to avoid implementing two joint procedures at one time. Prepare for one joint process, and if necessary, dry fit the opposing joint to provide a surface for clamping pressure.
3/ Use a small artists paint brush, marginally less than 3/8 in diameter to applly glue to the inner bore periphery. Use brush to apply glue to both mating surfaces.
4/ Try to avoid spill out of excess glue, particularly if surfaces are to be stained. If spillage does occur; use a scraper to remove excess, then sand the affected surface (with grain to 220 grit).
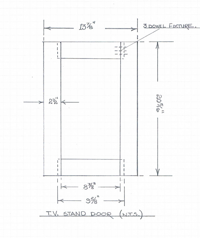
Step 12: How to Build the TV Stand Glass Door Frame
Dry fit the front framework and measure the door opening, which is 13-7/8″ x 20-5/16″. Mill and plane four work pieces 7/8″ x 2-1/2″ x 20-5/16″, and four work pieces 7/8″ x 2-1/2″ x 9-5/8″. Leave length marginally oversize to accomodate final trim.
NB. Upper and lower rails are 3/4″ longer; 3/8 at either end to accomodate stub tenons, ie. 8-7/8″ + 3/4″ = 9-5/8″ (refer to sketch).
I used the rail and stile carbide tipped router bit for the door frames. Follow manufacturers recommendations carefully. Work against rotation of the bit, and if using an adjustable miter gauge to do the rail ends, ensure the work piece is completely clear of the rotating bit before sliding the miter back on the track to do another cut. Failure to do so could cause the work piece to foul the bit causing damage or worse, and injury could result.
Once profiles are complete, ensure both stiles are identical in length. Fit assemblies together and mark check marks and X’s. Mark these on the back face, and reference from the top and rear of the door frame. Drill though guides #2 and #3. Remember, for the stile the drill setting will need to be increased by 3/8″ to allow for the slot on the stub tenon.
Since both rails are identical in length, we can also reference from the bottom and rear for the two lower bores.
In this case the center panel will be left blank to allow for installation of a bevelled glass panel. The glass panel will fit into the elongated slot, which would normally accept the tenon (in the case of a center panel).
Step 13: How to Build the Center Drawers and Fascias
I use two plates for the fascias, however one would suffice. These are 7/8″ x 5-3/4″ x 17-1/2″ and 3/8″ x 3-1/2″ x 14-1/4″. The latter plate centered on the former.
Both plates are bevelled on the router.
Coat all bottom surface of the smaller plate with glue and clamp squarely to fascia plate.
Step 14: How to Build the Drawers
I use 1/2″ veneered plywood for drawer interiors. Butt joints with five 1/4″ dowels. Front and rear panels butt to the inside of side panels (joints not visible).
Lower section of all four panels are recessed to allow inserting bottom panel (laminate not visible.
Use carbide tipped router bit to cut recesses.
Mark check marks and X’s (Note 2nd configuration of Dowelmax will be required for the face joint. Use the allen capscrews to install the 1/8 spacer plate to the reference bracket (to center on 1/2″ stock). Use index pin for aligning 5th bore (photo).
Note: adjust drill collar to drill 1-1/8″ into edge and 3/8 into face.
Note: 1/2″ soft pad will be required for 1/4 face joint only to prevent clamp disc from fouling Dowelmax body (arrow)
When glued and cured, I use four cherry strips 1/8″ x 1/2″ x 14-3/4″ and 1/8″ x 1/2″ x 17-1/2″ (mitered) to attach to top edges and hide the exposed plywood laminate. Glue and secure using painters tape. (photo)
Apply glue to all surfaces (both faces) using small paint brush. This extra labour is well worth the effort.
Two small strips 1/8″ x 1/2″ x 14-3/4″ are glued to extreme edges of bottom surface to act as runners.
Step 14: Routing Profile on Front Frame Components: F.4, F.8 and F.9
These steps once again can be omitted. However in my opinion, these procedures can enhance the overall look of the piece. FIB. do test cuts to ensure cutter is centered on work piece.
Step 15: Assembly of TV Stand
I try not to rush the process. Ensure all clamps and soft pads are at hand and ready. (photo of pre-joined assembly).
Join the drawer framework first – rear then front. Use a small paint brush to apply glue to all surfaces ie. drill bores, dowels and mating surfaces. Do not use glue in excess to avoid seepage at clamping pressure.
Use machined T square to ensure all joints are square and true.
I like to prep, stain and finish most components prior to final complete assembly, so the next step is to dry fit the partially completed framework using as few dowels as possible. Clamp and take careful inside measurements using a tape or UTG. With a precise measurement we can now make the plywood bulkheads which will comprise the separation between drawers and cupboards void spaces. These bulkheads also contribute to the strength of the overall structure and will be made using faced plywood measuring 1/2″ x 16-3/8″ x 24″. (photo 93)
Each bulkhead has a total of 8 bores. Reference from the top edge of the framework and the drawer side of the inner vertical. (F.7 and F.10) I used a shop made distance gauge for the upper bores and the extended distance gauge for the lower. Remember this is a 1/4 inch face joint. Use the clamp block to avoid fouling when tightening the clamp screw.
With the framework together (and square), it’s a good time to shape the shelves. Mill the shelf to the exact measurement, then lay it out on the framework top (photo), and mark out and cut the recesses at each corner post. This is usually more accurate than taking measurements, then cutting, believe me.
Step 16: How to Stain and Finish the TV Stand
Sand all components to grit 220. Note; I usually sand to grit 400, but I am trying to attain a darker, richer finish for this piece. Surface preparation helps to prevent blotching, but in doing so it lightens the stain colour. Hence the reason for the coarser grit.
Sanding complete: I now assemble various components as follows:
Top: completely assembled
End Panels: panel, posts (2) and inner vertical (F.2 or F.5)
Doors: assembled with glass













































